Poortsloten zijn niet alleen functionele elementen van tuinhekken en poorten; ze spelen een cruciale rol in het waarborgen van veiligheid en privacy. Met een scala aan beschikbare opties, van traditionele mechanische sloten tot geavanceerde elektronische systemen, is het essentieel om het juiste type slot voor uw behoeften te kiezen. Dit is een gids over de verschillende soorten poortsloten, hun installatie en onderhoud, hun effectiviteit in veiligheid, recente technologische innovaties, weerbestendigheid en prijs-kwaliteitverhouding.
Soorten Poortsloten: Een Overzicht
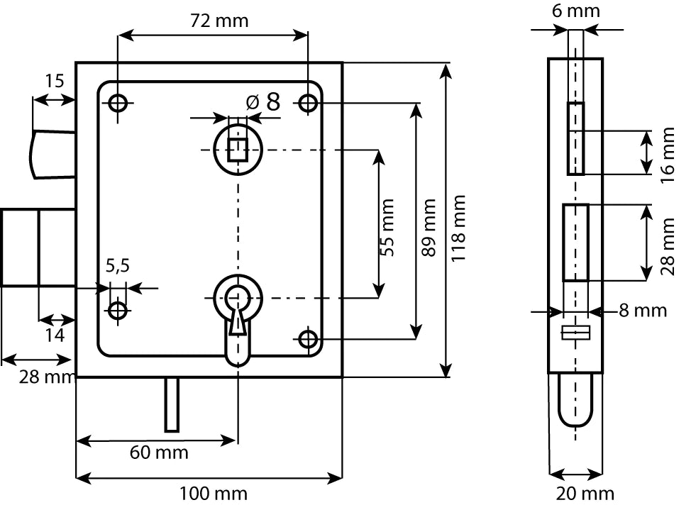
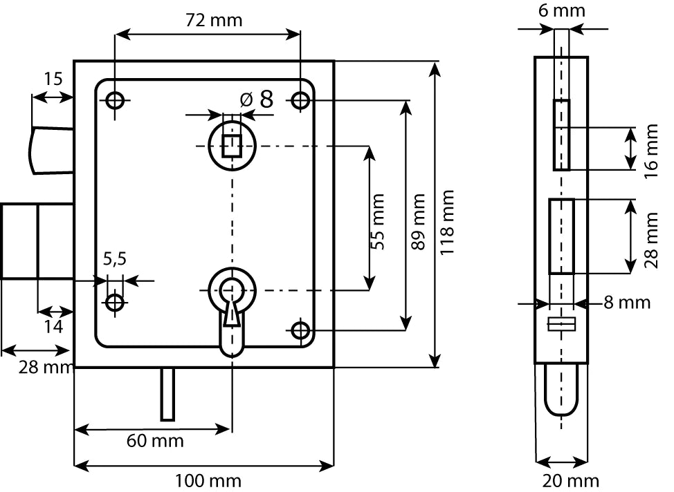
Elke tuinpoort of hek vereist een specifiek type slot, afhankelijk van de behoeften aan veiligheid en esthetiek. Insteeksloten, populair vanwege hun robuuste aard, zijn ingebouwd in de deur, terwijl oplegsloten op de deur gemonteerd worden. Cilindersloten bieden een hoger veiligheidsniveau en zijn vaak te vinden in combinatie met andere slotsoorten. Elk slottype heeft zijn eigen unieke set voordelen en nadelen, variërend van installatiegemak tot weerstand tegen inbraakpogingen.

Installatie en Onderhoud van Poortsloten
De installatie van een poortslot kan een doe-het-zelfproject zijn of uitbesteed worden aan een professional. Het proces omvat het meten van de deur, het kiezen van het juiste slot, en het nauwkeurig plaatsen en bevestigen. Regelmatig onderhoud, zoals het smeren van de bewegende delen en het controleren op roest, verlengt de levensduur van het slot en zorgt voor consistente functionaliteit.
Veiligheid En Beveiliging: Hoe Effectief Zijn Poortsloten?
Poortsloten zijn een essentieel onderdeel van een omvattende beveiligingsstrategie. Hoewel geen enkel slot ondoordringbaar is, kunnen kwalitatief hoogwaardige sloten aanzienlijk bijdragen aan het ontmoedigen van ongenode gasten. Het combineren van mechanische sloten met elektronische beveiligingssystemen kan een nog hoger niveau van beveiliging bieden.
Nieuwste Innovaties In Poortslot-Technologie
Technologische vooruitgang heeft geleid tot de ontwikkeling van slimme sloten, die bediend kunnen worden via smartphones of zelfs biometrische gegevens. Deze sloten bieden niet alleen gemak maar ook verbeterde beveiligingsfuncties, zoals op afstand bedienbare vergrendeling en het bijhouden van toegangslogs.

Poortsloten En Weersbestendigheid - Wat U Moet Weten
De duurzaamheid van een poortslot hangt sterk af van zijn weerbestendigheid. Materialen zoals roestvrij staal of gegalvaniseerd metaal zijn bestand tegen de elementen, wat vooral belangrijk is in buitenomgevingen. Het regelmatig controleren en onderhouden van sloten kan voorkomen dat ze vastlopen of corroderen als gevolg van blootstelling aan weer en wind.
Kosten En Waar voor Uw Geld, Het Kiezen Van Het Juiste Poortslot
De prijs van poortsloten varieert sterk, afhankelijk van het type en de technologische kenmerken. Het is belangrijk om een balans te vinden tussen kosten en kwaliteit; een goedkoop slot kan op de lange termijn minder veilig en duurzaam blijken. Het overwegen van de totale waarde, inclusief installatiekosten en levensduur, is cruciaal bij het maken van een keuze.
Het kiezen van het juiste poortslot is van essentieel belang voor zowel de veiligheid als het comfort van uw huis. Door de verschillende beschikbare opties te begrijpen, kunt u een geïnformeerde beslissing nemen die past bij uw specifieke behoeften en budget. Het regelmatig onderhouden en upgraden van uw sloten kan een aanzienlijke bijdrage leveren aan uw gemoedsrust en de veiligheid van uw eigendom.


